英吉森技術資料
聯系我們
- 聯系人:郭經理
- 傳真:010-69552656
- 電話:400-0346-119
- 電話:010-57491119
- 郵箱:506665119@qq.com
- 地址:北京通州區M5運河1號3號樓403室
英吉森Trax31總線輸入輸出模塊
時間:2019-04-12 14:01:55 品牌:
![[!--oldtitle--]](/d/file/qitashebei/2019-04-12/8d1416a133f666b3fb315fafa9bb2980.png)
一、Trax31總線輸入輸出模塊概述
英吉森電氣的專用工業總線ISBUS不僅能配接各種類型的氣體探測器,還可以配接總線輸入輸出模塊,完成對聯動設備的監視和控制,而且操作快速便捷、易于維護、有助于節省整體的安裝及維護成本。
Trax31總線輸入輸出模塊,主要用于連接需要氣體報警控制器控制的消防聯動設備,如警鈴、聲光報警器、閥門、風機等,并可接收設備的動作回答信號。
二、Trax31總線輸入輸出模塊性能特點
連接在ISBUS總線上,占用一個總線地址
需要24V直流電源供電
輸出控制可在氣體報警控制器上面編程
有2個狀態指示燈,顯示模塊的工作狀態
內部模塊化單元,工業級接線端子,方便接線
有開關量的狀態輸入和繼電器輸出
抗射頻/電磁干擾,減少誤動作
鑄鋁外殼,隔爆防護適用于大多數惡劣工業環境
可與聲光警報器一體安裝
三、Trax31總線輸入輸出模塊技術參數
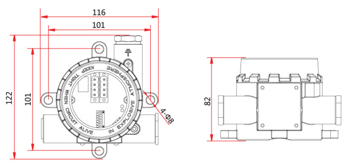
四、Trax31總線輸入輸出模塊外形尺寸及安裝尺寸

五、Trax31總線輸入輸出模塊安裝方式

六、Trax31總線輸入輸出模塊接線端子說明

端子說明:
Trax31模塊通過8位端子與外部接線。如圖,其中其中+24V、GND分別接電源24DC的正端和負端,BUS+、BUS分別接通訊總線正端和負端;COM、NO為聯動報警繼電器中點和常開點輸出端子,IN+、IN-是無源干觸點常開反饋監視輸入端。
電氣接口:
進線口①:M20×1.5(內螺紋)
進線口②:M20×1.5(內螺紋)
進線口③:1/2"NPT(內螺紋) 七、Trax31總線輸入輸出模塊接線方式

注意:IN+和IN-為無源干觸點常開反饋監視輸入端,需要配接終端器如下圖,若未連接終端器控制器會報開路故障。如不使用反饋開關,應將終端器接在,模塊內部。

多個模塊連線方式







